Four Row Cylindrical Roller Bearing 69FC46254W 70FC50460 72FC48290 72FC50250 72FC51370

Short Description:


Product Detail

Product Tags

340mm图纸

 

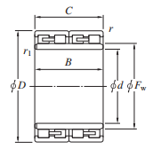
Designations

Boundary Dimensions

Basic Load

Mass(kg)

d

D

B

C

C0r

Refer.

69FC46254W

343.052

457.098

254

3300

6190

112

70FC50460

350

500

460

8230

16500

296

72FC48290

360

480

290

4330

8510

145

72FC50250

360

500

250

4390

7340

145

72FC51370

360

510

370

5750

11000

241

72FC52380

360

520

380

7270

13700

270

74FC52380

370

520

380

6660

13200

257

74FC52400W

370

520

400

5930

11900

268

74FC54400A

370

540

400

6500

11500

311

75FC55400

375

545

400

7920

14500

315

76FC52280

380

520

280

4660

8550

173

76FC52290

380

520

290

4700

8840

181

76FC54300

380

540

300

5820

10100

222

76FC54340W

380

540

340

5760

10300

256

76FC54360

380

540

360

6870

12900

266

76FC54380

380

540

400

7530

14300

287

76FC54400BW

380

540

400

7560

14600

298

76FC544000W

380

540

400

7560

14600

298

78FC55400A

390

550

400

6430

12400

296

For more information , please contact our email : info@cf-bearing.com


  • Previous:
  • Next:

  • Related Products